Tugas 4
Combination Network
1. TUJUAN
- Untuk mengetahui tentang combination network
- Bisa membuat rangkaian combination network
2. KOMPONEN
- Resistor
Resistor merupakan komponen elektronik yang memiliki dua pin dan didesain untuk mengatur tegangan listrik dan arus . Resistor mempunyai nilai resistansi (tahanan) tertentu yang dapat memproduksi tegangan listrik di antara kedua pin dimana nilai tegangan terhadap resistansi tersebut berbanding lurus dengan arus yang mengalir, berdasarkan persamaan hukum ohm
![]() |
| gambar resistor di proteus |
![]() |
| gambar resistor |
- FET
FET bisa disebut transistor unipolar, yaitu hanya menggunakan satu jenis pembawa muatan namun tergantung dari tipe FET itu sendiri. Arus listrik utama pada FETmengalir dalam satu saluran konduksi sempit dengan zona deflesi di kedua sisinya, berbeda dengan transistor bipolar di mana daerah Basis memotong arah arus listrik utama. FET terdiri dari dua kategori yaitu JFET atau Junction FET dan Insulated Gate FET atau IGFET yang juga dikenal sebagai MOSFET.
![]() |
| gambar FET di proteus |
![]() |
| gambar |
- BJT
Transistor Bipolar adalah Transistor yang struktur dan prinsip kerjanya memerlukan perpindahan muatan pembawanya yaitu electron di kutup negatif untuk mengisi kekurangan electon atau hole di kutub positif. Transistor Bipolar juga sering disebut juga dengan singkatan BJT yang kepanjangannya adalah Bipolar Junction Transistor.
![]() |
| gambar BJT di proteus |
![]() |
| gambar BJT di proteus |
- Battery
Baterai adalah alat elektronik yang berfungsi menyediakan arus listrik dengan menyimpan energi potensi listrik dalam bentuk sel elektrokimia (sel volta). Ketika kutub posittif dan negatif baterai di hubungkan, potensi listrik kedua kutub akan menyebabkan arus listrik mengalir.
![]() |
| gambar battery |
![]() |
| gambar battery |
- Sinyal AC (SINE)
Arus listrik AC (alternating current), merupakan listrik yang besarnya dan arah arusnya selalu berubah-ubah dan bolak-balik. Arus listrik AC akan membentuk suatu gelombang yang dinamakan dengan gelombang sinus atau lebih lengkapnya sinusoida.
- Osiloskop
Pengertian osiloskop secara sederhana dapat diartikan sebagai alat ukur elektronik yang dapat memetakan dan memproyeksi sinyal listrik dan frekuensi komponen elektronika. Osiloskop ini memetakan hasil pengukurannya dalam bentuk digital maupun grafik sehingga lebih mudah untuk dibaca dan di pelajari.
![]() |
| gambar osiloskop di proteus |
![]() |
| gambar osiloskop |
- Function Generator
Generator Fungsi atau Function Generator adalah suatu alat yang menghasilkan sinyal/gelombang dimana frekuensi serta amplitudonya dapat diubah-ubah. Gelombang yang dihasilkan pada umumnya yaitu gelombang sinusoidal, gelombang segitiga, dan gelombang segi empat. Pada umumnya Generator Fungsi digunakan berdampingan dengan Osiloskop.
![]() |
| gambar function di proteus |
![]() |
| gambar osiloskop |
- Ground
![]() |
| gambar ground di proteus |
![]() |
| gambar ground |
4. PRINSIP KERJA
Dari gambar dapat dilihat bahwa Vc dihubungkan ke Vb oleh Vgs, sehingga kita bisa mendapatkan nilai Vb apabila dapat menemukan nilai Vgs, sehingga Vc dapat ditentukan menggunakan rumus:
Dan nilai Vgsq dapat dihitung menggunakan Vgsq persamaan Shockley:
Contoh :
Tentukan VD untuk jaringan Gambar 6.47.
![]() |
| Gambar 6.47 |
Solusi :
Dalam hal ini, tidak ada jalur yang jelas untuk menentukan level tegangan atau arus untuk
konfigurasi transistor. Namun, beralih ke JFET yang bias sendiri, persamaan untuk VGS dapat diturunkan dan titik diam yang dihasilkan ditentukan menggunakan grafik
teknik.
Itu menghasilkan garis bias diri yang muncul pada Gambar 6.48
EXAMPLE
Contoh 6.13
![]() |
| Gambar 6.45 |
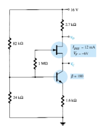
Tentukan tingkat VD dan VC untuk jaringan Gambar. 6.45.
Solusi
Dari pengalaman masa lalu kita sekarang menyadari bahwa VGS biasanya merupakan jumlah yang penting menentukan atau menulis persamaan ketika menganalisis jaringan JFET. Karena VGS adalah a tingkat di mana solusi langsung tidak jelas, mari kita mengalihkan perhatian kita ke konfigurasi transistor. Konfigurasi pembagi tegangan adalah salah satu tempat perkiraan teknik dapat diterapkan (βRE= (180 X 1,6 kΩ)= 288 kΩ > 10R2 240 kΩ), memungkinkan penentuan VB menggunakan aturan pembagi tegangan pada sirkuit input.
Pertanyaan tentang bagaimana menentukan VC tidak begitu jelas. Baik VCE dan VDS tidak diketahui jumlah yang mencegah kami membuat tautan antara VD dan VC atau dari VE ke VD. Pemeriksaan yang lebih hati-hati dari Gambar 6.45 mengungkapkan bahwa VC terkait dengan VB oleh VGS (dengan asumsi VRG 0 V). Karena kita tahu VB jika kita dapat menemukan VGS, VC bisa ditentukan dari
Pertanyaan kemudian muncul bagaimana menemukan tingkat VGSQ dari diam nilai ID. Keduanya terkait oleh persamaan Shockley:
dan VGSQ dapat ditemukan secara matematis dengan memecahkan VGSQ dan mengganti numerik nilai-nilai. Namun, mari kita beralih ke pendekatan grafis dan cukup bekerja di urutan terbalik digunakan pada bagian sebelumnya. Karakteristik transfer JFET pertama kali dibuat sketsa seperti yang ditunjukkan pada Gambar. 6.46. Tingkat IDQ kemudian ditetapkan secara horizontal baris seperti yang ditunjukkan pada gambar yang sama. VGSQ kemudian ditentukan dengan menjatuhkan garis turun dari titik operasi ke sumbu horizontal, menghasilkan
Tingkat VC:
![]() |
Gambar 6.46 Menentukan Q-point untuk jaringan Fig. 6.45 |
Contoh 6.14
![]() |
| Gambar 6.47 |
Tentukan VD untuk jaringan Gambar 6.47.
Solusi
Dalam hal ini, tidak ada jalur yang jelas untuk menentukan level tegangan atau arus untuk konfigurasi transistor. Namun, beralih ke JFET yang bias sendiri, persamaan untuk VGS dapat diturunkan dan titik diam yang dihasilkan ditentukan menggunakan grafik teknik. Itu adalah,
menghasilkan garis bias diri yang muncul pada Gambar 6.48 yang membentuk diam menunjuk pada
Untuk transistor
![]() |
| Gambar 6.48 Menentukan Q-point untuk jaringan Fig. 6.47. |
1.
Jika
anda menghitung kembali besar tegangan kolektor-emiter dengan menggunakan
pendekatan kedua, biasanya jawabannya adalah
:
|
a. Lebih kecil dari nilai ideal |
b. Sama dengan nilai ideal |
|
c. Lebih besar dari nilai ideal |
d. Tidak akurat |
JAWABAN : C
2. Gambar di bawah merupakan rangkaian....
klik disini untuk rangkaian 1
klik disini untuk rangkaian 2
klik disini untuk video 1
klik disini untuk video 2
klik disini untuk rangkaian 2
klik disini untuk video 1
klik disini untuk video 2




































Tidak ada komentar:
Posting Komentar